Conversioni di tensione con isolamento galvanico.
Quanto segue costituisce un esempio di come, anche un progetto elettronico con un requisito piuttosto semplice, necessiti di considerazioni sistemistiche e non solo circuitali.
Nella pratica comune è spesso necessario fornire un segnale in funzione del valore assunto da una tensione. Ciascuno di noi immagina piu’ modi per poter fare una cosa del genere (dai sistemi analogici a quelli digitali piu’ o meno complessi e piu’ o meno performanti) Se, pero’, al requisito iniziale aggiungiamo che le tensioni da misurare sono piu’ d’una e isolate fra loro e che questo isolamento deve essere conservato, allora le possibili soluzioni diminuiscono (pero’ ancora puo’ essere banale, io metto un trasformatore e via) ma se le tensioni sono continue?
Bhe’ e’ancora una cosa semplice pero’ e’ bene che cominciamo a cercare qualche componente particolare che ci venga in soccorso.
Allora i problemi da risolvere sono:
- il primo, piuttosto banale e’ quello della conversione analogica/digitale (oggi non vale la pena di pensare ad architetture solo analogiche, e’ sempre meglio convertire in digitale e quindi operare)
- il secondo e’ quello dell’isolamento galvanico.
La conversione A/D none’ oggi un problema preoccupante, si tratta solo di scegliere il convertitore piu’ idoneo (alcune volte piu’ con considerazioni logistiche (costi, tempi di approvvigionamento,conoscenza del componente….) che tecniche.
Per l’isolamento invece dobbiamo cercare qualcosa di piu’ pregiato o particolare.
Le prime architetture che vengono in mente sono:
- Si prenda il segnale lo si converta e quindi tramite per esempio una linea seriale digitale lo si trasmetta ad un processor e qui’ si facciano le elaborazioni del caso
- Si prenda il segnale, ci si accoppi tramite un opto-isolatore e quindi si converta la tensione cosi’ ottenuta in digitale seguendo poi la “strada” precedente
- Si prenda il segnale lo si converta in frequenza e si trasmetta il segnale cosi’
ottenuto su una linea separata galvanicamente dalle altre (vedi trasformatore o capacita’ opto-isolatori digitali..) - O qualunque altra archiettura che ora non ci sovviene
Pero’ ora vediamo:
- I punti di forza della prima ipotesi sono la facilita’ di isolare poche semplici linee digitali. Si deve realizzare una piccola funzione di acquisizione per ogni tensione da misurare e poi una semplice linea seriale. Pero’ forse si assorbe troppo, oppure si richiede che la tensione sia stabile oppure il costo risultante e’ troppo alto sia economicamente che in termini di spazio e complessita’ del circuito
- La seconda soluzione la soluzione e’ senz’altro la piu’ facile, non costa molto e non presenterebbe problemi tecnici. Però si sa’ che gli opto non sono molto stabili (i loro parametri variano con la temperatura, con la vecchiaia o variano uno dall’altro e allora giu’ potenziometri di taratura, procedure….), in poche parole c’e’ un problema da investigare
- La conversione F/V e quindi V/F era quella che si faceva qualche anno fa’ (agli albori dell’elettronica i nostri padri benedetti progettavano circuiti anche complessi per risolvere un problema come questo). Oggi non piu’ di due o tre aziende continuano a produrre convertitori di questo tipo (benedetta Analogic Devices, forse National ma poi…). La soluzione sa un po’ di vecchio.
E allora, proviamo a rivisitare la soluzione N. 2, questa ha un punto critico ma forse e’solo uno (magari la tecnologia ci viene in soccorso) perche’una volta che si e’ riusciti a prelevare il segnale il problema diventa banale.Forse si possono usare degli amplificatori isolati piuttosto che un opto (ce ne sono di ottimi da TI provenienti da ex Burr-Brown), pero’ questi componenti vogliono, generalmente, due tensioni di alimentazioni equindi non sono applicabili facilmente, ancora sarebbe molto piu’semplice usare un opto.
Hewelet-Packard oggi Agilent sezione opto ed eccolo li’ il nostro optoisolatore lineare HCNR201 vedi fig. 1 (per dettagli si veda il data sheet),pero’ e’ strano ha due uscite, cioe’ il segnale di ingresso applicato sul LED e trasformato in luce, viene inviato su due PIN. Uno sguardo a qualche application notes e si capisce che Agilent suggerisce un circuito dove chi “trasmette”rilegga la tensione convertita (tramite uno dei due PIN) e reazionil’ingresso in modo tale che la proporzionalita’ fra ingresso e uscita (sull’altro ramo, quello isolato) sia costante.
Il circuito proposto e’ abbastanza complesso(comunque non troppo) pero’ richiede stabilita’ e precisione tipiche di un circuito analogico di misura, forse ancora non ci siamo.

Fig. 1HCNR201
La prima sensazione che si ricava e’ che la criticita’ sia fondamentalmente rimasta. Riassumiamo, diverse architetture diverse soluzioni ognuna con un suo problema e con i suoi vantaggi, in queste condizioni siamo sicuri che “Non stiamo forse trascurando un aspetto del problema ”?
Facciamo queste semplici considerazioni, le variazioni dei parametri dell’optoipotizzato sono molto lente perche’ legate a fenomeni come temperatura, invecchiamento, oppure legate alla dispersione delle caratteristiche. Una soluzione potrebbe essere quella di selezionare i componenti migliori, scegliendo quelli i cui parametri rientrino in un range sufficiente per i nostri scopi;pero’ probabilmente il nostro boss ci obiettera’ che questa soluzione e’ comunque costosa e a priori non ne sono noti i risultati.
La proposta che verra’ illustrata ora (e che e’ stata realizzata ed e’ funzionante) risolve questi problemi in modo semplice con una architettura di sistema affidabile e ripetitiva. La soluzione si rifa’a cio’ che nella pratica quotidiana facciamo continuamente, per sapere se il circuito sul quale stiamo lavorando funziona correttamente o meno gli inviamo dei segnali noti e ne controlliamo l’uscita. Ma e’ possibile fare di piu’ se l’uscita si discostasse dai valori che ci aspettavamo possiamo correggerli compensando il drift introdotto (i piu’ pignoli direbbero chee’ necessario conoscere che relazione ci sia fra le variazioni dei parametri e l’uscita, ma in prima approssimazione possiamo assumere una dipendenza lineare, se poi lo si vuole modificare la funzione di correzione fino ad arrivare al risultato voluto).
Bene siamo arrivati al termine dell’analisi, il nostro circuito sara’ composto(si veda la fig. 2) da:
-
- blocco di ricezione del segnale da misurare (composto da filtri, protezione ai disturbi, eventuale amplificazione o riduzione della dinamica…)
- blocco di generazione del segnale di riferimento (normalmente una voltage reference)
- Switch fra i due segnali (switch analogico a bassa impedenza)
- Adattamento del segnale al nostro opto
- Ricezione del segnale e conversione dello stesso in numerico

Fig. 2 InsulatedVoltages Acquisition Block Diagram
L’HW e’terminato ed ora che il segnale e’ convertito un qualunque processore puo’ applicare tutte le correzione che riterremo di dover fare.
I vantaggi di una soluzione di questo tipo sono chiaramente l’assenza di parti circuitali critiche (tolleranze, stabilita’…) costo e spazio sulla PCB contenuto. Gli svantaggi potrebbero essere una certa quantita’ di SW da progettare (masi ricordi che il SW costa una sola volta mentre l’HW e’un costo ripetitivo).
Isolamento Galvanico nelle conversioni di tensione: Conclusioni
Tutto questo mette in evidenza come requisiti anche semplici possano nascondere qualche insidia e di come sia necessario affrontare il problema da piu’punti di vista e quindi di crearsi un bagaglio tecnico non necessariamente iper-specializzato ma il piu’ “rotondo”possibile.
Per finire va detto che il circuito e’ stato poi sviluppato e sta funzionando in modo soddisfacente. Su di una scheda Eurocard (100x160 mm) e’ stato “alloggiato” un circuito che misurava tensione, corrente e frequenza di 16 segnali,prendeva decisioni di controllo come spegnimento o modifica dei sensing degli alimentatori (che producevano le 16 tensioni).
Provvedeva inoltre a controlli e segnalazioni per tutte queste tensioni. Il circuito non era peraltro neanche troppo “pieno”.
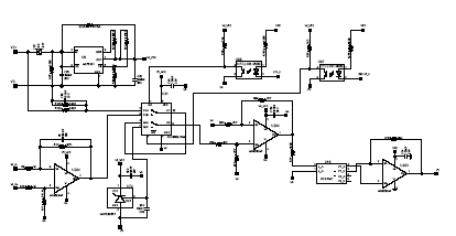
Come ultima nota, lafig. 3 mostra lo schema elettrico di una delle “n”sezioni implementate, da notare che il convertitore A/D era all’interno del micro (un MCS9 Freescale).

Fig. 3 Voltagemeasurement Schematic Drawing

è veramente complesso tutto il tread, ma un buon vecchio trasformatore a doppio isolamento non bastava?
Ottimo articolo, conoscevo poco o nulla sull’isolamento galvanico…
Già… probabilmente no! 😛
Costi ed ingombro sono fattori che stanno portando i trasformatori di isolameto (in 1:1) ad essere ormai usati solo dove proprio non se ne può fare a meno.
che hai perfettamente ragione, ma spesso mi chiedo se ciò non porti ad una complessità che mediamente un tecnico non riesce più a starci dietro.
Ho sostenuto un intero esame all’università di strumentazione elettronica e quindi sull’isolamento galvanico delle varie alimentazioni. Ottimo articolo!
qualcuno può portare in concreto un esempio di quello che è stato detto su?? io ho capito che ci sono segnali separati e isolati e che poi un processore può pilotarli ma poi il resto dell’articolo ? anzi farò di più …. chi mi può linckare a una guida partendo dai fondamentali dell’elettronica ???
Guarda, la problematica dell’isolamento galvanico è uno degli argomenti di ricerca più portati avanti nell’ambito delle tecniche di progettazione elettronica. La separazione dei segnali in un circuito è di fondamentale importanza perchè, ad esempio, ti permette di evitare un contatto diretto con la rete di distribuzione elettrica. Un trasformatore assolve già di suo alla funzione di separare galvanicamente due sezioni di un circuito però, come si diceva nei commenti sopra, questa è una soluzione ingombrante e costosa e tra l’altro funziona bene con correnti e tensioni alternate, e se volessi disaccoppiare segnali di tipo continuo? A questo punto si apre il mondo ai fotoaccoppiatori/fotoisolatori, tecniche di tipo switching, ecc… Le tecniche proposte nell’articolo non sono così complesse da interpretare, serve solo una minimo di fondamenti sull’elettronica analogica. In rete di guide e testi da leggere per fare i primi passi nel mondo dell’elettronica ci sono, basta googlare un pò e qualcosa la cavi fuori di sicuro.
una curiosità,
in un trasformatore il segnale viene trasformato in un campo magnetico e di nuovi trasformato in un segnale elettrico, quindi la funzione di trasferimento tra l’ingresso e l’uscita è un cos(),
in quest’articolo è spiegato che l’isolamento galvanico è ottenuto estraendo l’informazione del primo segnale rendendolo digitale e dopo l’isolamento è ottenuto tramite fotocopiatori ottici è dopo viene ricostruito il segnale a partire dalle informazioni trasmesse è di nuovo reso in analogico,
è così che i due sistemi funzionano?
forse gli occorre sapere prima i fondamenti dell’elettrotecnica e successivamente quelli di elettronica.
Si, naturalmente. Davo per scontati i fondamenti di elettrotecnica includendoli in quelli di elettronica. Apprezzo però la precisazione! Grazie! 😉
Ottimo articolo,
ma penso che spesso non sia necessario complicarsi la vita fino a quel punto.
Utilizzo da anni l’HCNR201 e vi garantisco che funziona benissimo, è stabile e preciso e non necessita di complicazioni circuitali.
date anche un occhiata a:
http://www.avagotech.com/pages/en/optocouplers_plastic/plastic_high_linearity_analog_optocoupler/hcnr201/
saluti
ma allora perchè viene prodotto se anzicchè semplificare complica.
Il concetto di “complicare” è inteso come aggiungere, completare, ecc un progetto in funzione dei risultati che voglio ottenere,
Con l’ HCNR201 e pochi componenti (un operazionale, un bjt e una ventina di passivi)
si ottiene un ottimo convertitore tensione/tensione o tensione corrente con una precisione < 0,5 % e una linearità tra 600 e 1000ppm in un range di temperatura fra = e 75°. Se serve una precisione maggiore allora è necessario "complicarsi" il progetto con circuiti più complessi. saluti
della tua esaustiva risposta e del tempo dedicatomi, ma in quali casi ipotizzi possa servire una precisione maggiore visto che la maggior parte di apparecchi hanno un range di lavoro abbastanza ampio e comunque superiore allo 0,5%.
… ma l’isolamento galvanico per prevenire disturbi che arrivano dalla rete … ecco ma per casa un UPS (gruppo di continiuità) non basta ? lavoraa anche sulla linea telefonica
Dovresti chiederlo all’autore dell’articolo, infatti quando parla dell’HCNR201 dice:
“Il circuito proposto e’ abbastanza complesso(comunque non troppo) pero’ richiede stabilita’ e precisione tipiche di un circuito analogico di misura, forse ancora non ci siamo.”
Sarebbe quindi interessante fare un confronto con il circuito proposto in terminini di caratteristiche reali, cioè confrontare precisione, linearità, stabilità ecc.
Solo confrontando le specifiche tecniche di entrambe le soluzioni è possibile verificare effettivamente quando è meglio applicare una soluzione circuitale piuttosto di un altra.
Teniamo sempre in considerazione comunque che precisioni inferiori allo 0,1% sono normalmente richieste nei circuiti di misura.
Inoltre consideriamo anche che la precisione totale di uno strumento di misura e la somma delle singole precisioni dei vari blocchi circuitali che lo compongono.
Quindi dobbiamo considerare anche gli errori introdotti dai vari stadi d’ingresso, dalla tolleramza dei componenti, dalla tolleranza dell’eventuale convertitore A/D ecc.
L’solamento galvanico trattato nell’articolo viene utilizzato per isolare elettricamente (galvanicamente) un segnale di misura dall’alimentazione del circuito.
Esempio: devo controllare un inverter con un segnale 0-5V provenienta da una scheda con microcontrollore. In questo caso il negativo dll’inverter è collegato alla rete 220V di conseguenza collegando il segnale di controllo riporterei il 220V sulla mia scheda rischiando di danneggiare il controllo (e di folgorare l’operatore).
Ecco dove nasce l’esigenza di isolare galvanicamente i due circuiti
L’isolamento galvanico ha due obiettivi, uno funzionale e l’altro di di sicurezza.
Il primo permette di separare galvanicamente due circuiti avendo così tensioni indipendenti, così da evitare fonti di disturbo.
Il secondo permette di proteggere sia i circuiti che le persone da eventuali ddp elevate che si possono trovare tra il circuito di ingresso e quello di uscita,a causa di guasti, o sovratensioni.
Non sapevo di questa tecnica di isolamento. Mi sono trovato spesso in queste situazioni ed infine abbandonavo l’isolamento, ma d’ora in poi sarà diverso. Grazie.
Cavolo non ne avevo la minima idea nemmeno io!